XF Series Dual-End Asymmetrical Cleaning TechnologyAutomatic Filtration for Complex Working Conditions
SC Series Scanning Self-Cleaning TechnologyLower Energy Consumption, Higher Filtration Accuracy
Helps Customers Reduce Waste, More Environmentally Friendly
 
INOCO Safeguards Your Beautiful Life
Through Industrial Innovation
Leveraging Computational Fluid Dynamics Simulation,
Modular Design, Intelligent Filtration Technology,
and 3D Printing, Innot's Team Continuously Pushes
the Boundaries of Physical Limits
INSIST    INNOVATE    COOPERATE
Get a Free Quote
Self-cleaning Filter Series
Product Overview
INOCO-XF-X series is a fully automatic self-cleaning filter suitable for harsh environments. It can be equipped with filter screens ranging from 25 to 3500μm and diameters from 1" to 36" for different usage requirements. The self-cleaning process of the INOCO filter is initiated by a differential pressure switch that constantly monitors the pressure difference between the filter's inlet and outlet. Typically, the preset value of the differential pressure switch is 0.5bar(7psi).

INOCO-XF-X series self-cleaning filters are suitable for pipelines with diameters ranging from DN25 to DN900. These filters feature continuous fluid flow, easy maintenance, and reliable operation, and are thus widely used in all industries.

Product Overview

INOCO-XF-X SERIES SELF-CLEANING FILTER SERIES

INOCO XF-X series self-cleaning filter is suitable for DN25~DN900 pipelines. The filter has the advantages of continuous fluid flow, easy maintenance and reliable operation, so it is widely used in all industries.

INOCO-XF-X series is a type of fully automatic self-cleaning filter suitable for harsh environments. For different operation requirements, it can be equipped with 3500µm~50µm filter sieve with a caliber of 8” ~36” . The self-cleaning process of INOCO filter is started by a pressure difference switch that constantly monitors the pressure difference between the inlet and outlet of the filter. Usually, the preset value of the pressure difference switch is 0.5bar (7psi).


INOCO-XF-X SERIES SELF-CLEANING FILTER SERIES

WPS图片(1)


Features and Advantages

Uninterrupted water supply: The water quantity is very little during cleaning, which is 5% of the water output of the filter, and the washing time is 2-15s. The entire system supplies water uninterruptedly.
■ High filtering precision: The filtering precision can reach up to 20µm, and there are filter sieves of various precision for your selection.
■ Large filtering area: The effective filtering area of standard filter sieve is 7-40 times the area of the inlet.
■ Reliable cleaning: There are various control modes, such as manual, pressure difference, time and PLC, etc.
■ Economical and simple installation: There are various structure forms, which are suitable for installation in various situations on the site without affecting the operation effect.
■ Long service life: The service life is more than 10 years under normal conditions, and the material of filter sieve is stainless steel. According to requirements, filter sieves of different specifications can be easily replaced as required.


22

General Parameters

■ Operating flow rate: 20~5000m3/h (please contact the manufacturer for details, the corresponding flow rate is different for different water quality & precision)
■ Minimum working pressure: 2Kg. If the working pressure is too low, booster pump can be installed at the sewage outlet.
■ Maximum working pressure: 10Kg; 150psi. High-pressure type can be customized according to user requirements, please contact the manufacturer for details.
■ Filtering area: 3000 cm² ~ 20000 cm²
■ Inlet / outlet diameter: 50, 80, 100, 150, 200, 250, 300, 350, 400, 500, 600, 800mm Maximum working temperature: 50°C.
■ Please give special description if higher than this temperature.

Filter Working Principle

When the pressure difference between the inlet and outlet of the filter reaches the preset value, the filter will start the self-cleaning process. The entire self-cleaning process includes two steps: open the drain valve on the upper end cap of the filter; the motor drives the two stainless steel brushes in the filter sieve to turn, and the impurities captured by the filter sieve are brushed off by the steel brushes and discharged from the drain valve. The entire cleaning process takes about 15-60s. There is uninterrupted water supply in the system during cleaning. The entire operating process of the filter is controlled by a control box provided for the filter.

Cleaning Parameters

◎ Size of drain valve: 25mm; 50mm; 80mm
◎ Cleaning time: 30-60s
◎ Water consumption per cleaning: ≤5%.

Filter Body and Cap

◎ Filter body: carbon steel, epoxy resin coating.
316 and 304 stainless steel can be used upon request.
◎ Filter sieve: 316L stainless steel wedge-shaped filter element;
316L stainless steel braided steel wire
◎ Cleaning mechanism (interior): stainless steel 304, 316L, POM
◎ Drain valve: cast iron, epoxy resin coating; 304, 316L
◎ Seal ring: synthetic rubber, PTFE

Standard Filter Rating

◎ Precision of braided filter sieve: 500,300, 200,130,100, 80,50,25,10 micron
◎ Precision of wedge-shaped filter element: 50,80,100, 200, 300, 500 micron


Performance Parameters

1. Factory-set cleaning interval time: 4 hours (adjustable)
2. Factory-set cleaning pressure difference: 0.lMPa (adjustable)
3. Input voltage: 380V 3-phase 50HZ
4. Standard working pressure: 0.6MPa
5. Maximum working pressure: 1.0MPa
6. Standard working temperature: 50℃
7. Maximum working temperature: 70℃
8. Cleaning control modes: manual, automatic (time / pressure difference)


INOCO-XF-X SERIES SELF-CLEANING FILTER SERIES


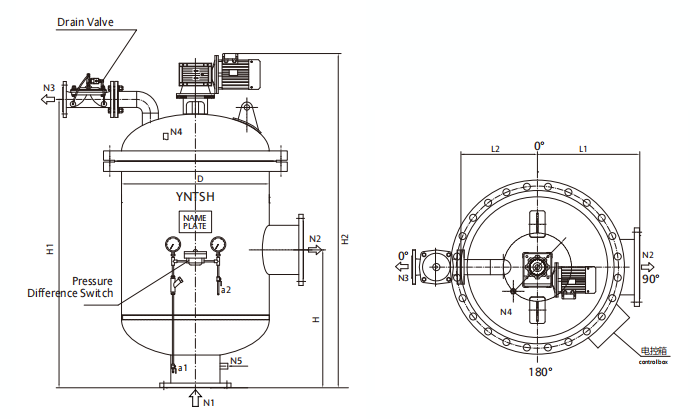
Product Parameters and Sizes

Model X1-219 X1-273 X1-325 X1-426 X1-530
Pipe dia.(mm) 80 100 125 150 200
Filtering flow rate (m³/h) 50 80 130 190 330
Filtering area (㎡) 0.27 0.34 0.41 0.66 0.88
Drain valve (mm) 25 25 25 50 50
Water consumption per cleaning (L) 60 60 60 250 250
Motor power (KW) 0.55 0.55 0.55 0.55 0.55
D(mm) 219 273 325 426 530
H(mm) 500 500 500 600 600
H1(mm) 830 830 980 1160 1190
H2(mm) 1130 1130 1200 1350 1380
L1(mm) 210 235 350 350 400
L2(mm) 180 200 300 300 360


Product Parameters and Sizes

Model X1-630 X1-720 X1-820 X1-920 X1-1020
Pipe dia.(mm) 250 300 350 400 450
Filtering flow rate (m³/h) 530 750 1000 1350 1700
Filtering area (㎡) 1.1 1.9 2.2 2.6/3.1 3.5/4.0
Drain valve (mm) 80 80 80 80 80
Water consumption per cleaning (L) 350 450 600 800 1000
Motor power (KW) 0.75 0.75 0.75 0.75 0.75
D(mm) 630 720 820 920 1020
H(mm) 750 900 900 1000 1100
H1(mm) 1450 1820 1900 2070 2350
H2(mm) 1670 2030 2130 2280 2580
L1(mm) 450 500 600 650 700
L2(mm) 400 400 450 500 600


Performance Parameters

1. The filtering flow rate is the theoretically maximum flow rate that the filter element can reach, calculated according to the precision of l00um.
2. Factory-set cleaning interval time: 4 hours (adjustable)
3. Factory-set cleaning pressure difference: 0.lMPa (adjustable)
4. Input voltage: 380V 3-phase 50HZ


Product parameters and sizes

No. Model Self-cleaning Filter No. Material of Filter Gasket
1 XF-X1 Filtering of suspended particle 19 N Butyronitrile
2 XF-X5 Filtering of precipitated particles 20 E EPDM H
3 50 Size of filter inlet and outlet 21 F Fluororubber H
4 219 Diameter of filter casing 22 P PTFE H
Material of Filter Casing 23 S Metallic spiral wound gasket H
5 Q2 Q235B
6 Q3 Q345R H Standard of Filter Flange
7 Q2N Q235B rubber lining H 24 H16 HG20592-09 PN16 PL RF
8 Q3N Q345R rubber lining H 25 A20 ASME B16.5 150LB SO RF H
9 Q2S40 Q235B coated with PTFE H
10 S3 304 Filter Precision
11 S6 316L 26 M300 、M200 200 、300(micron)
12 S25 2205 H 27 M50 50 、100 、150 、400、 H
13 S27 2507 H 500 、1000 、2000(micron)
Material of Filter Element Automatic Drain Valve
14 E3 304 28 EBV50 Electric valve DN50
15 E6 316L 29 PV50 Pneumatic valve DN50 H
16 E25 2205 H Explosion-proof Grade
17 E27 2507 H 30 B4 Exib Ⅱ BT4 H
18 E2T Titanium H 31 C4 Exib ⅡCT4 H
Degree of Protection
32 I55 IP55: Prevent foreign objects and dust;protect against low-pressure water spray of at least 3 minutes
33 I56 IP56: Prevent foreign objects and dust; protect against massive water spray of at least 3 minutes H
34 I65 IP65: Completely prevent foreign objects and dust from entering; protect against low-pressure water spray of at least 3 minutes H
35 I66 IP66: Completely prevent foreign objects and dust from entering; protect against massive water spray of at least 3 minutes H
Material Traceability Certificate
36 G In line with GB
37 A In line with ASME
38 E In line with EN 10204 3.1.B H
Product Certification
39 TS China Steel Pressure Vessels H
40 U2 ASME Usteel seal H

★ The standard options provided represent the most commonly used options.
The options with an asterisk (★) should be selected for optimal delivery.
H Represents customized options, and the standard products do not include H options.
If necessary, please describe the requirements in the order.

Product Solution
Product Authentication

INOCO Green Energy Solutions Co., Ltd. |
Wuxi INOCO Filtration Equipment Corp., Ltd. | Wuxi INOCO Filtration System Co., Ltd.

Scan to follow INOCO Filtration

Contact Wuxi INOCO
Contact Info: +86-510-82621388、88302966 、82603252、83782787
Contact Address: 5th Floor, No. 28, Huaxia Kaixuan Building, Erquan Middle Road, Xishan District, Wuxi City
Contact Address: No. 6, Lingzhi Road, Zhongxiang Village Industrial Zone, Heqiao Town, Yixing City
24-hour hotline: +86-15852561666
Email Address: zhaokunnian@inoco.cn
Website: www.inocofilter.com www.inococn.com

Copyright © INOCO Green Energy Solutions Co., Ltd.